1. Tujuan[Daftar]
- Mengetahui dan memahami mengenai gerbang logika Tristate Logic Gates
- Membuktikan tabel kebenaran Tristate Logic Gates dengan menggunakan Proteus
- Dapat mengaplikasikan atau membuat rangkaian Tristate Logic Gates dengan menggunakan Proteus
2. Alat dan Bahan[Daftar]
2.1 Alat[Daftar]
- Power Supply DC
Power Supply atau dalam bahasa Indonesia disebut dengan Catu Daya adalah suatu alat yang dapat menyediakan energi listrik untuk perangkat listrik atau elektronika lainnya.
- Voltmeter DC
Difungsikan guna mengukur besarnya tegangan listrik yang terdapat dalam suatu rangkaian listrik. Dimana, untuk penyusunannya dilakukan secara paralel sesuai pada lokasi komponen yang sedang diukur.
2.2 Bahan[Daftar]
- Resistor
Resistor adalah komponen elektronika yang berfungsi untuk menghambat atau membatasi aliran listrik yang mengalir dalam suatu rangkain elektronika. Pada rangkaian ini resistor juga berfungsi untuk mencari frekuensi pada IC.
Pin Out:
Spesifikasi:
- Transistor NPN
Transistor adalah alat semikonduktor yang dipakai sebagai penguat, sebagai sirkuit pemutus dan penyambung arus (switching), stabilisasi tegangan, dan modulasi sinyal.
Konfigurasi Pin out:
Spesifikasi:
- LED
LED ialah suatu komponen elektronika yang terbuat dari bahan semikonduktor dan dapat memancarkan cahaya apabila arus listrik melewatinya. LED (Ligth-Emitting Diode) memiliki fungsi utama dalam dunia elektronika sebagai indikator atau sinyal indikator/lampu indikator. Contohnya dapat kita jumpai pada rangkaian-rangkaian elektronika led digunakan sebagai indikator ON/OFF.
Spesifikasi:
- Baterai
Baterai adalah perangkat yang terdiri dari satu atau lebih sel elektrokimia dengan koneksi eksternal yang disediakan untuk memberi daya pada perangkat listrik seperti senter, ponsel, dan mobil listrik.
Datasheet Battery:
- Gerbang Logika NAND (IC 7400)
IC 7400 merupakan ic yang dibangun dari gerbang logika dasar NAND. Gerbang NAND menghendaki semua inputnya bernilai 0 (terhubung dengan ground) atau salah satunya bernilai 1 agar menghasilkan output yang berharga 1.
Spesifikasi IC 7400:
Tegangan Suply: 7 V
Tegangan input: 5.5 V
Beroperasi pada suhu udara 0 sampai +70 derjat
Kiasaran suhu penyimpanan: -65 derjat sampai 150 derjat celcius
Konfiugurasi pin:
- Vcc : Kaki 14
- GND : Kaki 7
- Input : Kaki 1 dan 2, 4 dan 5, 13 dan 12, 10 dan 9
- Output : Kaki 3, 6, 1
Datasheet IC 7400(NAND):
- Inverter
- Relay
1. Tegangan pemicu (tegangan kumparan) 5V
2. Arus pemicu 70mA
3. Maksimum beban AC 10A @250/125V
4. Maksimum beban DC 10A @30/28V
5. Switching maksimum 300 operasi/menit
Konfigurasi pin:
Fitur:
Relay adalah Saklar (Switch) yang dioperasikan secara listrik dan merupakan komponen Electromechanical (Elektromekanikal) yang terdiri dari 2 bagian utama yakni Elektromagnet (Coil) dan Mekanikal (seperangkat Kontak Saklar/Switch).
Spesifikasi:
- Ground
- Motor
Ground berarti sebuah titik referensi umum atau tegangan potensial sama dengan “tegangan nol”. Ground bersifat relatif, karena dapat memilih titik dimana saja dalam sirkuit untuk dijadikan ground untuk mereferensi semua tegangan dalam rangkaian.
Ground juga berfungsi untuk menetralisir cacat (noise) yang disebabkan baik oleh daya yang kurang baik, ataupun kualitas komponen yang tidak standar.
Sistem gronding pada peralatan kelistrikan dan elektronika adalah memberikan perlindungan pada seluruh sistem.
Motor listrik adalah alat untuk mengubah energi listrik menjadi energi mekanik. Alat yang berfungsi sebaliknya, mengubah energi mekanik menjadi energi listrik disebut generator atau dinamo.
Tegangan Terukur 5V DC
Spesifikasi item:
o Tanpa kecepatan beban 12000 ± 15% rpm
o Tidak ada arus beban =280mA
o Tegangan operasi 1.5-9V DC
o Mulai Torsi =250g.cm (menurut blade yang dikembangkan sendiri)
o mulai saat ini =5A
o Resistansi Isolasi di atas 10O antara casing dan terminal DV 100V
o Arah Rotasi CW: Terminal [+] terhubung ke catu daya positif, terminal [-] terhubung ke nagative
o daya, searah jarum jam dianggap oleh arah poros keluaran
o celah poros 0,05-0,35mm
Grafik Motor DC:
Datasheet Motor DC:
- Lampu LED
Lampu adalah sumber cahaya buatan yang dihasilkan melalui penyaluran arus listrik melalui filamen yang kemudian memanas dan menghasilkan cahaya.
Datasheet:
- Switch SPDT
Saklar atau lebih tepatnya adalah Saklar listrik adalah suatu komponen atau perangkat yang digunakan untuk memutuskan atau menghubungkan aliran listrik. Saklar yang dalam bahasa Inggris disebut dengan Switch ini merupakan salah satu komponen atau alat listrik yang paling sering digunakan. Hampir semua peralatan Elektronika dan Listrik memerlukan Saklar untuk menghidupkan atau mematikan alat listrik yang digunakan.
3. Dasar Teori[Daftar]
Characteristic Parameters
Di bagian ini, kami akan menjelaskan secara singkat parameter yang digunakan untuk mencirikan keluarga logika yang berbeda.
Beberapa dari parameter karakteristik ini, seperti yang akan kita lihat di paragraf berikut, juga digunakan
bandingkan keluarga logika yang berbeda.
• Arus input level-TINGGI, IIH. Ini adalah arus yang mengalir ke (diambil sebagai positif) atau keluar (diambil
sebagai negatif) input ketika tegangan input level TINGGI sama dengan output level TINGGI minimum
tegangan yang ditentukan untuk keluarga diterapkan. Dalam kasus keluarga logika bipolar seperti TTL,
desain sirkuit sedemikian rupa sehingga arus ini mengalir ke pin input dan oleh karena itu ditetapkan sebagai positif.
Dalam kasus keluarga logika CMOS, itu bisa berupa positif atau negatif, dan hanya absolut
nilai ditentukan dalam kasus ini.
• Arus input level-RENDAH, IIL. Arus input level-RENDAH adalah arus maksimum yang mengalir masuk
(diambil sebagai positif) atau keluar (diambil sebagai negatif) input dari fungsi logika ketika tegangan
diterapkan pada input sama dengan tegangan output level RENDAH maksimum yang ditentukan untuk keluarga. Dalam
kasus keluarga logika bipolar seperti TTL, desain rangkaian sedemikian rupa sehingga arus ini mengalir keluar
pin masukan dan oleh karena itu ditetapkan sebagai negatif. Dalam kasus keluarga logika CMOS, bisa jadi
baik positif atau negatif. Dalam kasus ini, hanya nilai absolut yang ditentukan.
Arus atau pembebanan masukan tingkat TINGGI dan RENDAH juga terkadang ditentukan dalam istilah beban unit
(UL). Untuk perangkat dari keluarga TTL, 1 UL (HIGH) = 40 A dan 1 UL (LOW) = 1,6 mA.
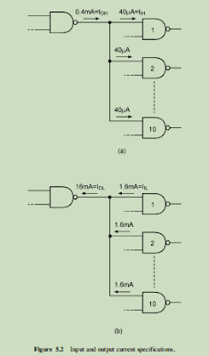
• Arus keluaran level-TINGGI, IOH. Ini adalah arus maksimum yang mengalir keluar dari suatu keluaran saat
kondisi masukan sedemikian rupa sehingga keluaran dalam status logika TINGGI. Biasanya ditampilkan sebagai
angka negatif. Ini menceritakan tentang kemampuan sumber keluaran saat ini. Besaran
IOH menentukan jumlah input yang dapat dijalankan oleh fungsi logika ketika outputnya ada dalam logika
Status TINGGI. Misalnya, untuk kelompok TTL standar, IOH jaminan minimum adalah −400 A,
yang dapat menggerakkan 10 input TTL standar dengan masing-masing membutuhkan 40 A dalam status TINGGI, seperti yang ditunjukkan pada
Gambar 5.2 (a).
• Arus keluaran level-RENDAH, IOL. Ini adalah arus maksimum yang mengalir ke pin keluaran logika
berfungsi ketika kondisi input sedemikian rupa sehingga output dalam status logika LOW. Ini menceritakan tentang
kemampuan tenggelamnya arus keluaran. Besaran IOL menentukan jumlah input
fungsi logika dapat berjalan saat outputnya dalam status logika LOW. Misalnya untuk standar
Kelompok TTL, IOL dijamin minimum adalah 16 mA, yang dapat menggerakkan 10 input TTL standar
masing-masing membutuhkan 1,6 mA dalam kondisi RENDAH, seperti yang ditunjukkan pada Gambar 5.2 (b).
• Arus keluaran tingkat tinggi di luar keadaan (keadaan impedansi tinggi), IOZH. Inilah arus yang mengalir
menjadi output dari fungsi logika tristate dengan input ENABLE dipilih untuk membentuk a
status impedansi tinggi dan level tegangan logika TINGGI diterapkan pada output. Kondisi masukannya adalah
dipilih sehingga menghasilkan logika LOW jika perangkat diaktifkan.
menjadi output dari fungsi logika tristate dengan input ENABLE dipilih untuk membentuk a
keadaan impedansi tinggi dan level tegangan logika RENDAH diterapkan pada output. Kondisi masukannya adalah
dipilih sehingga menghasilkan logika TINGGI jika perangkat diaktifkan.
• Tegangan input level TINGGI, VIH. Ini adalah level tegangan minimum yang perlu diterapkan di
masukan untuk diakui sebagai tingkat TINGGI legal untuk keluarga tertentu. Untuk keluarga TTL standar,
tegangan input 2 V adalah status logika TINGGI legal.
• Tegangan input level-RENDAH, VIL. Ini adalah level tegangan maksimum yang diterapkan pada input
diakui sebagai level RENDAH legal untuk keluarga tertentu. Untuk keluarga TTL standar, sebuah input
tegangan 0,8 V adalah status logika RENDAH legal.
• Tegangan output level TINGGI, VOH. Ini adalah tegangan minimum pada pin keluaran dari fungsi logika
ketika kondisi masukan menetapkan logika TINGGI pada keluaran untuk keluarga yang ditentukan. Dalam kasus
keluarga perangkat TTL standar, tegangan output level TINGGI bisa serendah 2,4 V dan diam
diperlakukan sebagai negara logika TINGGI legal. Dapat disebutkan di sini bahwa, untuk keluarga logika tertentu,
Spesifikasi VOH selalu lebih besar daripada spesifikasi VIH untuk memastikan kompatibilitas keluaran-ke-masukan
ketika output dari satu perangkat memberi makan input dari perangkat lain.
• Tegangan output level RENDAH, VOL. Ini adalah tegangan maksimum pada pin keluaran dari fungsi logika
ketika kondisi masukan menetapkan logika RENDAH pada keluaran untuk keluarga yang ditentukan. Dalam kasus
keluarga perangkat TTL standar, tegangan keluaran level RENDAH bisa setinggi 0,4 V dan diam
diperlakukan sebagai status logika RENDAH legal. Dapat disebutkan di sini bahwa, untuk keluarga logika tertentu,
Spesifikasi VOL selalu lebih kecil dari spesifikasi VIL untuk memastikan kompatibilitas keluaran-ke-masukan
ketika output dari satu perangkat memberi makan input dari perangkat lain.
Parameter arus dan tegangan input / output yang berbeda ditunjukkan pada Gambar 5.3, dengan arus level-TINGGI
dan parameter tegangan pada Gambar 5.3 (a) dan parameter arus dan tegangan level RENDAH pada Gambar 5.3 (b).
Dapat disebutkan di sini bahwa arah arus input dan output level RENDAH ditunjukkan pada
Gambar 5.3 (b) dapat diterapkan pada kelompok logika dengan aksi penurunan arus seperti TTL.
Resistor
Resistor merupakan komponen elektronik yang memiliki dua pin dan didesain untuk mengatur tegangan listrik dan arus listrik. Resistor mempunyai nilai resistansi (tahanan) tertentu yang dapat memproduksi tegangan listrik di antara kedua pin dimana nilai tegangan terhadap resistansi tersebut berbanding lurus dengan arus yang mengalir, berdasarkan persamaan hukum Ohm
Rumus dari Rangkaian Seri Resistor: Rtotal = R1 + R2 + R3 + ….. + Rn
Rumus dari Rangkaian paralel Resistor: 1/Rtotal = 1/R1 + 1/R2 + 1/R3 + ….. + 1/Rn
Rumus resistor dengan hukum ohm: R = V/I
Cara menghitung nilai resistansi resistor dengan gelang warna :
1. Masukan angka langsung dari kode warna gelang pertama.
2. Masukan angka langsung dari kode warna gelang kedua.
3. Masukan angka langsung dari kode warna gelang ketiga.
4. Masukkan jumlah nol dari kode warna gelang ke-4 atau pangkatkan angka tersebut dengan 10 (10^n), ini merupakan nilai toleransi dari resistor.
Berikut contoh cara menghitungnya :
Transistor NPN
Transistor merupakan salah satu Komponen Elektronika Aktif yang paling sering digunakan dalam rangkaian Elektronika, baik rangkaian Elektronika yang paling sederhana maupun rangkaian Elektronika yang rumit dan kompleks. Transistor pada umumnya terbuat dari bahan semikonduktor seperti Germanium, Silikon, dan Gallium Arsenide. Secara umum, Transistor dapat dibagi menjadi 2 kelompok Jenis yaitu Transistor Bipolar (BJT) dan Field Effect Transistor (FET).
Gerbang OR, AND dan NOT adalah tiga gerbang logika dasar karena keduanya dapat digunakan untuk membangun rangkaian logika untuk ekspresi Boolean yang diberikan. Gerbang NOR dan NAND memiliki properti yang masing-masing dapat digunakan untuk mengimplementasikan perangkat keras rangkaian logika yang sesuai dengan ekspresi Boolean yang diberikan. Artinya, dimungkinkan untuk menggunakan hanya gerbang NAND atau hanya gerbang NOR untuk mengimplementasikan ekspresi Boolean apa pun.
Gerbang NAND atau disebut juga "NAND GATE" adalah jenis gerbang logika kombinasi yang memiliki dua input (Masukan) dan satu output (keluaran). Pada dasarnya gerbang NAND merupakan pengembangan atau kombinasi dari gerbang AND dan gerbang NOT "NAND = NOT AND". Untuk lebih jelasnya perhatikan simbol dan gerbang kebenaran gerbang NAND berikut.
Pada gerbang logika NAND, simbol yang menandakan operasi gerbang logika NAND adalah tanda bar (-) diatas variabel, perhatikan gambar diatas.
Perhatikan tabel kebenaran gerbang NAND. Cara cepat untuk mengingat tabelnya adalah dengan mengingat pernyataan berikut. "Gerbang NAND akan menghasilkan output logika 0 bila semua inputnya memiliki logika 1" sedangkan " Gerbang NAND akan menghasilkan keluaran logika 1 bila salah satu input atau semua input memiliki logika 0".
Secara singkat, cukup mengingat gerbang logika AND, karena output dari gerbang logika NAND merupakan kebalikan dari output gerbang AND.
Transistor Gerbang NAND
Secara sederhana, gerbang logika NAND 2 input dapat dibangun menggunakan RTL Resistor-transistor Switch yang terhubung bersama degan input yang terhubung langsung ke basis transistor, dimana transistor harus dalam keadaan cut-off "MATI" untuk keluaran Q.
Gerbang logika NAND dapat menghasilkan fungsi logis yang diinginkan dengan simbol berupa gerbang AND standar dengan tambahan lingkaran (biasa juga disebut sebagai "Gelembung Inversi" pada bagian output yang mana mewakili gerbang NOT) yang disebut sebagai operasi logika NAND.
Jenis Gerbang Logika NAND:
LED atau singkatan dari Light Emitting Diode adalah salah satu komponen elektronika yang terbuat dari bahan semi konduktor jenis dioda yang mempu mengeluarkan cahaya. Strukturnya juga sama dengan dioda, tetapi pada LED elektron menerjang sambungan P-N (Positif-Negatif). Untuk mendapatkan emisi cahaya pada semikonduktor, doping yang pakai adalah galium, arsenic dan phosporus. Jenis doping yang berbeda menghasilkan warna cahaya yang berbeda pula.
Tegangan maju LED
Karakteristik
Relay adalah Saklar (Switch) yang dioperasikan secara listrik dan merupakan komponen Electromechanical (Elektromekanikal) yang terdiri dari 2 bagian utama yakni Elektromagnet (Coil) dan Mekanikal (seperangkat Kontak Saklar/Switch). Relay menggunakan Prinsip Elektromagnetik untuk menggerakkan Kontak Saklar sehingga dengan arus listrik yang kecil (low power) dapat menghantarkan listrik yang bertegangan lebih tinggi. Sebagai contoh, dengan Relay yang menggunakan Elektromagnet 5V dan 50 mA mampu menggerakan Armature Relay (yang berfungsi sebagai saklarnya) untuk menghantarkan listrik 220V 2A.
Cara kerja Relay:
Setelah mengetahui pengertian serta fungsi dari relay, anda juga harus mengetahui cara kerja atau prinsip kerja dari relay. Namun sebelumnya anda perlu mengetahui bahwa pada sebuah relay terdapat 4 bagian penting yaitu electromagnet (coil), Armature, Switch Contact Point (saklar) dan spring. Untuk lebih jelasnya silahkan lihat gambar di bawah ini.
- Normally Close (NC) yaitu kondisi awal sebelum diaktifkan akan selalu berada pada posisi close (tertutup).
- Normally Open (NO) yaitu kondisi awal sebelum diaktifkan akan selalu berapa pada posisi open (terbuka)
Berdasarkan gambar diatas, iron core(besi) yang dililitkan oleh kumparan coil berfungsi untuk mengendalikan iron core tersebut. Ketika kumparan coil di berikan arus listrik, maka akan timbul gaya elektromagnet sehingga akan menarik Armature berpindah posisi yang awalnya NC(tertutup) ke posisi NO(terbuka) sehingga menjadi saklar yang dapat menghantarkan arus listrik di posisi NO. Posisi Armature yang tadinya dalam kondisi CLOSE akan menjadi OPEN atau terhubung. Armature akan kembali keposisi CLOSE saat tidak dialiri listrik. Coil yang digunakan untuk menarik Contact Point ke posisi CLOSE umunnya hanyak membutuhkan arus llistrik yang relatif kecil.
Motor DCUntuk menggerakannya lagi, tepat pada saat kutub kumparan berhadapan dengan kutub magnet, arah arus pada kumparan dibalik. Dengan demikian, kutub utara kumparan akan berubah menjadi kutub selatan dan kutub selatannya akan berubah menjadi kutub utara. Pada saat perubahan kutub tersebut terjadi, kutub selatan kumparan akan berhadap dengan kutub selatan magnet dan kutub utara kumparan akan berhadapan dengan kutub utara magnet. Karena kutubnya sama, maka akan terjadi tolak menolak sehingga kumparan bergerak memutar hingga utara kumparan berhadapan dengan selatan magnet dan selatan kumparan berhadapan dengan utara magnet. Pada saat ini, arus yang mengalir ke kumparan dibalik lagi dan kumparan akan berputar lagi karena adanya perubahan kutub. Siklus ini akan berulang-ulang hingga arus listrik pada kumparan diputuskan.
Lampu
Light Emitting Diode atau sering disingkat dengan LED adalah komponen elektronika yang dapat memancarkan cahaya monokromatik ketika diberikan tegangan maju. LED merupakan keluarga Dioda yang terbuat dari bahan semikonduktor.
![]() | ||
| Gambar 1 (logicstate berlogika 0,0) |
- Rangkaian 1:
Apabila input gerbang logika NAND U1:A keduanya berlogika 1 (HIGH) maka output yang dihasilkan akan belogika 0 (LOW) sehingga tegangan yang terukur pada outputnya 0 V. output dari gerbang NAND U1:A masuk ke input gerbang NAND U1:B, NAND U1:C dan NAND U1:D. di gerbang NAND U1:B input nya kan berlogika 1 (HIGH) dan 0 (LOW) yang mana outputnya akan berlogika 1 (HIGH) sehingga terukur tegangan outputnya sebesar 5V. Lalu, di karenakan tegangan pada kaki base transistor bernilai 0.71V, maka transistor mengalami forward bias, relay aktiv dan coil relay berpindah ke kiri yang menyebabkan arus dari baterai mengalir ke lampu sehingga lampu menyala.
Digerbang NAND U1:C karena salah satu inputnya berasal dari output NAND U1:A sehingga berlogika 0 (LOW) dan input yang satu lagi berlogika 1 (HIGH) sehingga outputnya berlogika 1 (HIGH) yang mengaliri arus ke R1 220 ohm dan masuk ke LED sehingga LED menyala karena tegangan cukup(2.24 V).
Digerbang NAND U1:D inputnya akan berlogika 0 (LOW) yang berasal dari output NAND U1:A dan satu lagi berlogika 0 (LOW) dari logic state sehingga output akan berlogika 1 (HIGH) yang akan mengaliri arus menuju transistor dan terukur tegangan pada basis transistor sebesar 0.71V sehingga transistor sudah aktiv. Karena transistor aktiv, maka arus mengalir dari VCC menuju relay yang mengakibatkan relay aktif dan coil relay bergeser kekiri, sehingga dikarenakan tegangan pada motor dan LED tercukupi, motor dan LED hidup..
Jika input NAND U1:A keduanya berlogika 0 (LOW) maka output dari gerbang NAND U1:B akan berlogika 0 (LOW) dan begitu juga dengan gerbang NAND U1:C yang menyebabkan lampu dan LED tidak menyala. Sedangkan jika kedua input gerbang NAND U1:D berlogika 1 (HIGH) maka tidak ada arus yang mengalir dari outputnya karena output berlogika 0 (LOW).
4.4. Video[Daftar]
- Video Rangkaian 2:
- Video Rangkaian 3
4.5. Download File[Daftar]
Video Rangkaian 1:
Video Rangkaian 2:
Video Rangkaian 3:
File Rangkaian 1:
File Rangkaian 2:
File Rangkaian 3:
Html & materi:
Datasheet resistor: disini
Datasheet transistor npn: disini
Datasheet motor DC: disini
Datasheet relay: disini
Datasheet led: disini











































No comments:
Post a Comment